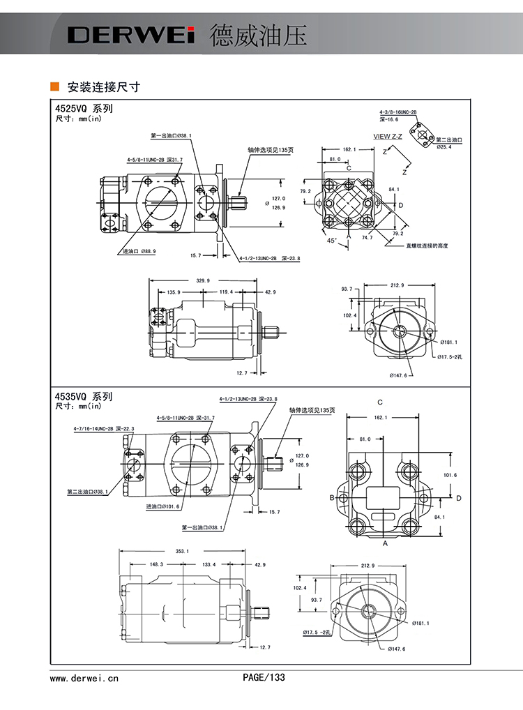
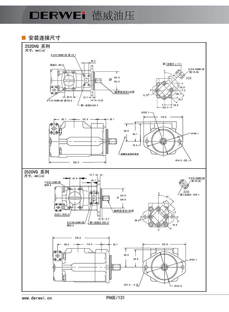
当前位置:
上一个:20VQ、25VQ、35VQ、45VQ系列叶片泵-适合行走机械的高性能子母叶片泵
下一个:SQP1、SQP2、SQP3、SQP4系列-适合工业应用的低噪音子母叶片泵
点击 隐藏
QQ 咨询
1549783469 QQ号码
1625558129 QQ号码
327369593 QQ号码
电话 咨询
0577-61731528 客服热线